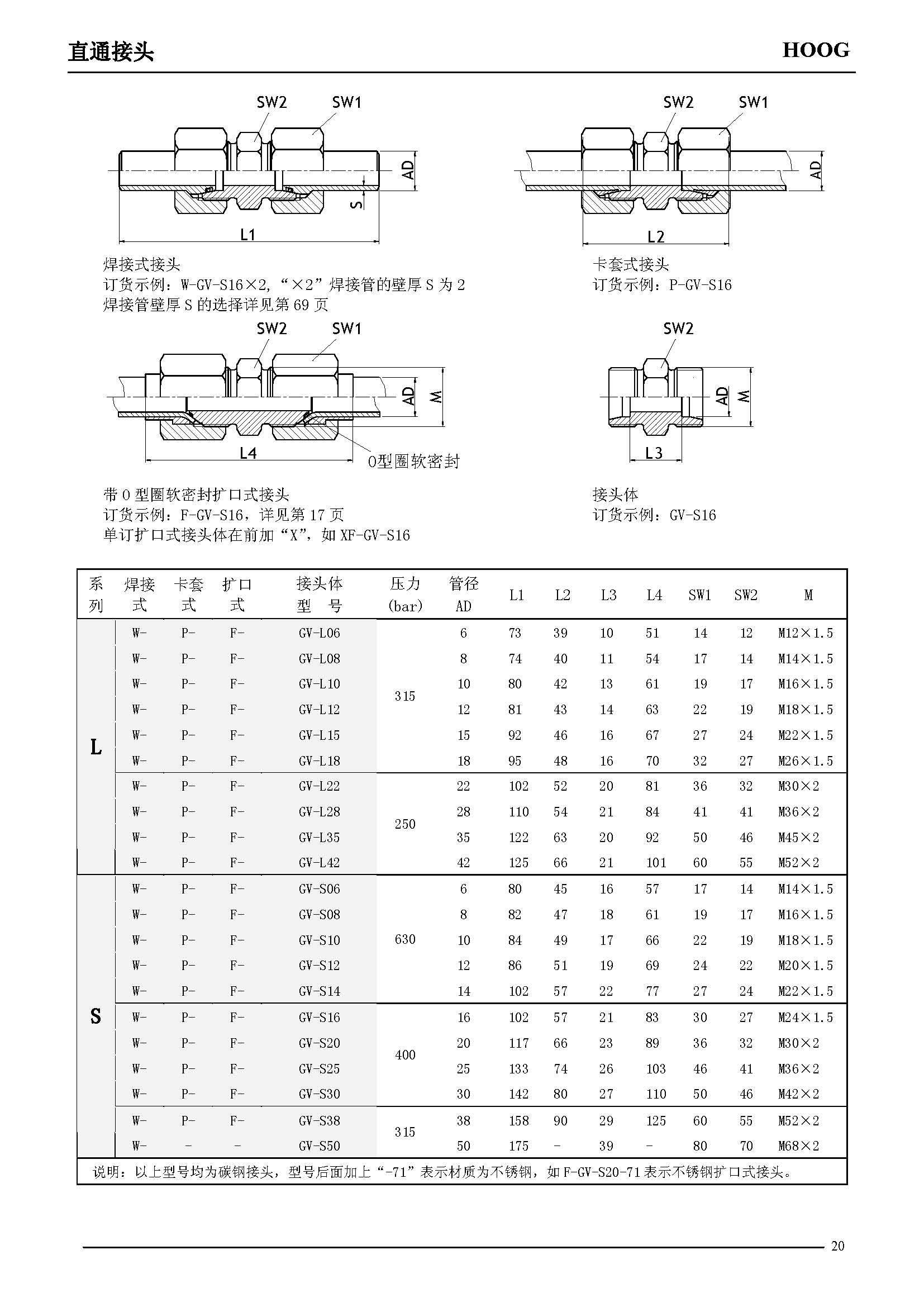
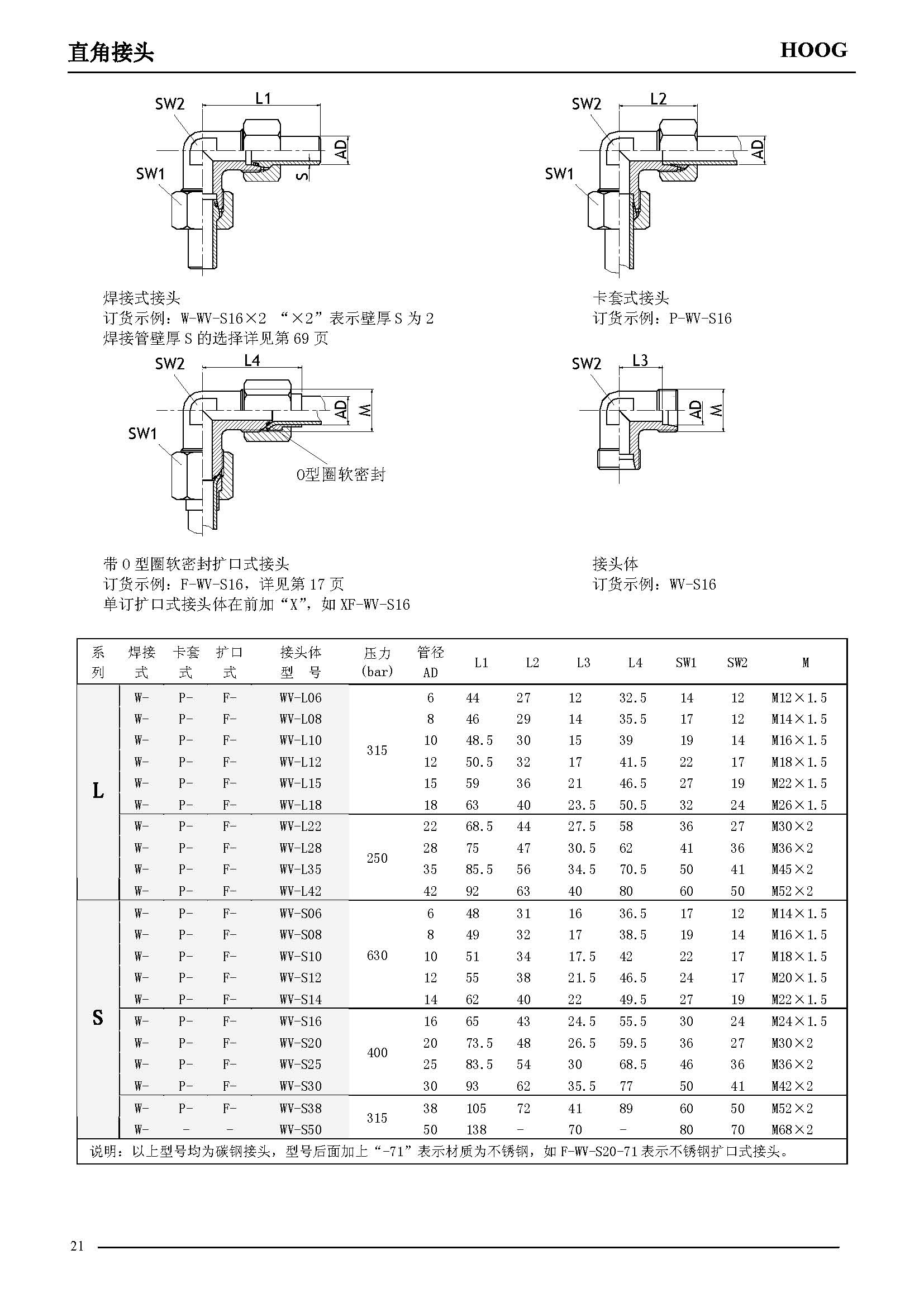
瓦力游戏

www.hoogfluid.com - /uploadpic/ueditor/image/20201026/


[转到父目录]

2020/10/26 14:37 222522 1603694245100651.png
2020/10/26 14:37 239618 1603694252109993.png
2020/10/26 16:44 274550 1603701864302943.jpg
2020/10/26 16:44 256656 1603701864320500.jpg
2020/10/26 16:44 259785 1603701864512164.jpg
2020/10/26 16:44 252444 1603701864644874.jpg

【网站地图】【sitemap】